| Quantity: 1 set |
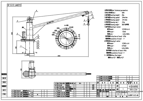
| SWL: 5KN; Slewing rad: 2.5m; Hoisting height: 20m |
| Structure: Fixed boom |
| Slewing angle: 360 degrees |
| Driving Type: Electric Driving |
5kN-2.5M Electric Slewing Crane
Main Technical Parameters
1. SWL: 5KN
2. Hoisting height: 20m
3. Hoisting speed: ≥9m/min
4. Slewing speed: ≥1r/min
5. Slewing rad: 2.5m
6. Slewing angle: 360°
7. Driving Type: Electric Driving
8. Hoisting E-motor
Model: YZ112M-6-H
Power: 1.5KW
Duty: 440v/60Hz
Protection of level: IP56
Insulation of level: F
9. Slewing E-motor
Model: YZ90S-6H
Power: 0.KW
Duty: 440v/60Hz
Protection of level: IP56
Insulation of level: F
10. Allow the angle:
Trim: ≤5 ° List: ≤2°
Drawing of 5kN-2.5M Electric Slewing Crane

Testing Pictures of 5kN-2.5M Electric Slewing Crane

100891.jpg)
Finished Image of 5kN-2.5M Electric Slewing Crane

BACK TO TOP